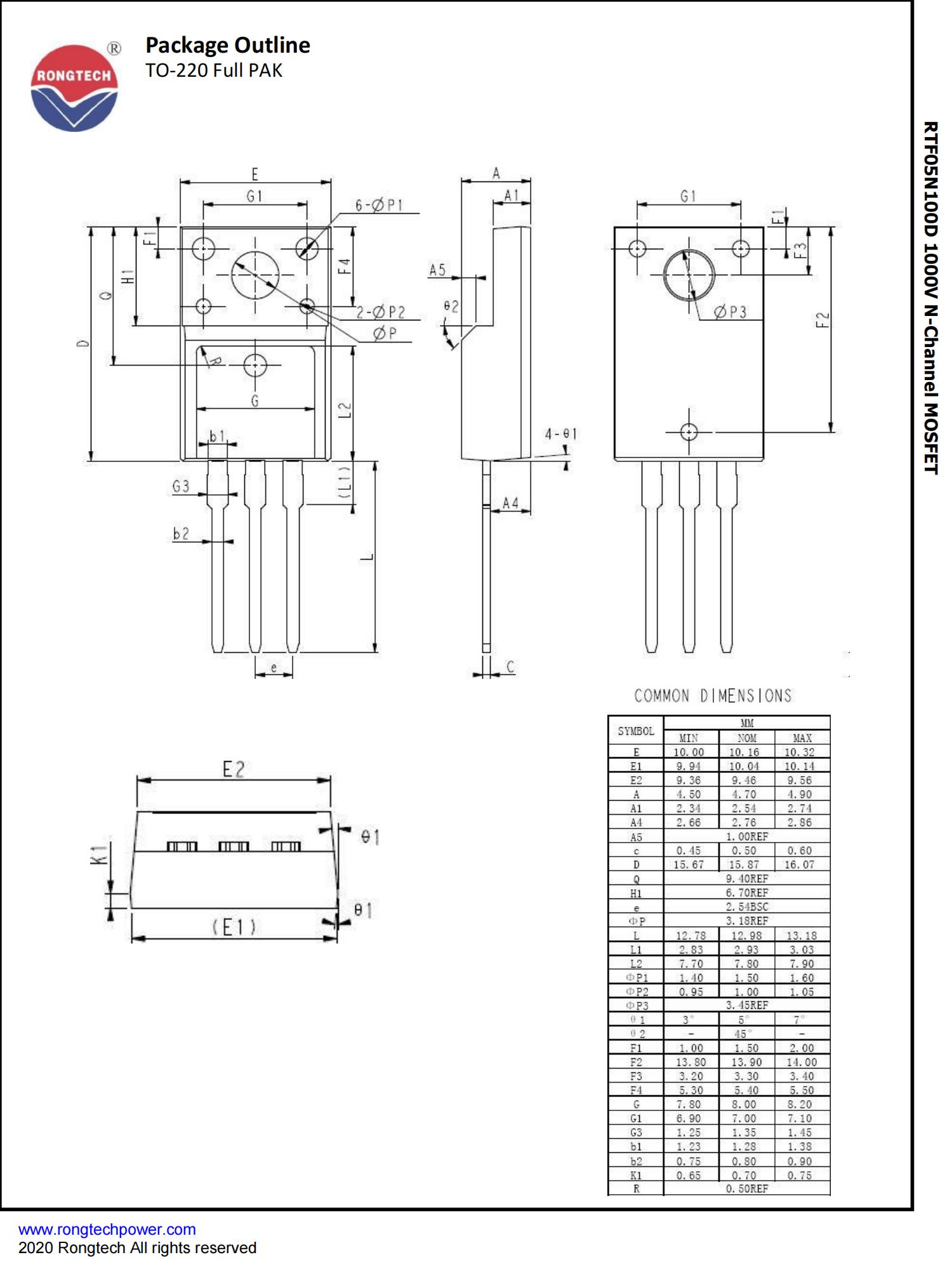
RTF05N100D 2022/04/06 ClassificationHigh voltage mosfet Mosfet PRODUCT CENTER 30 0 Previous: RTF80R850S Next: RTF03N150D
您好!please sign in