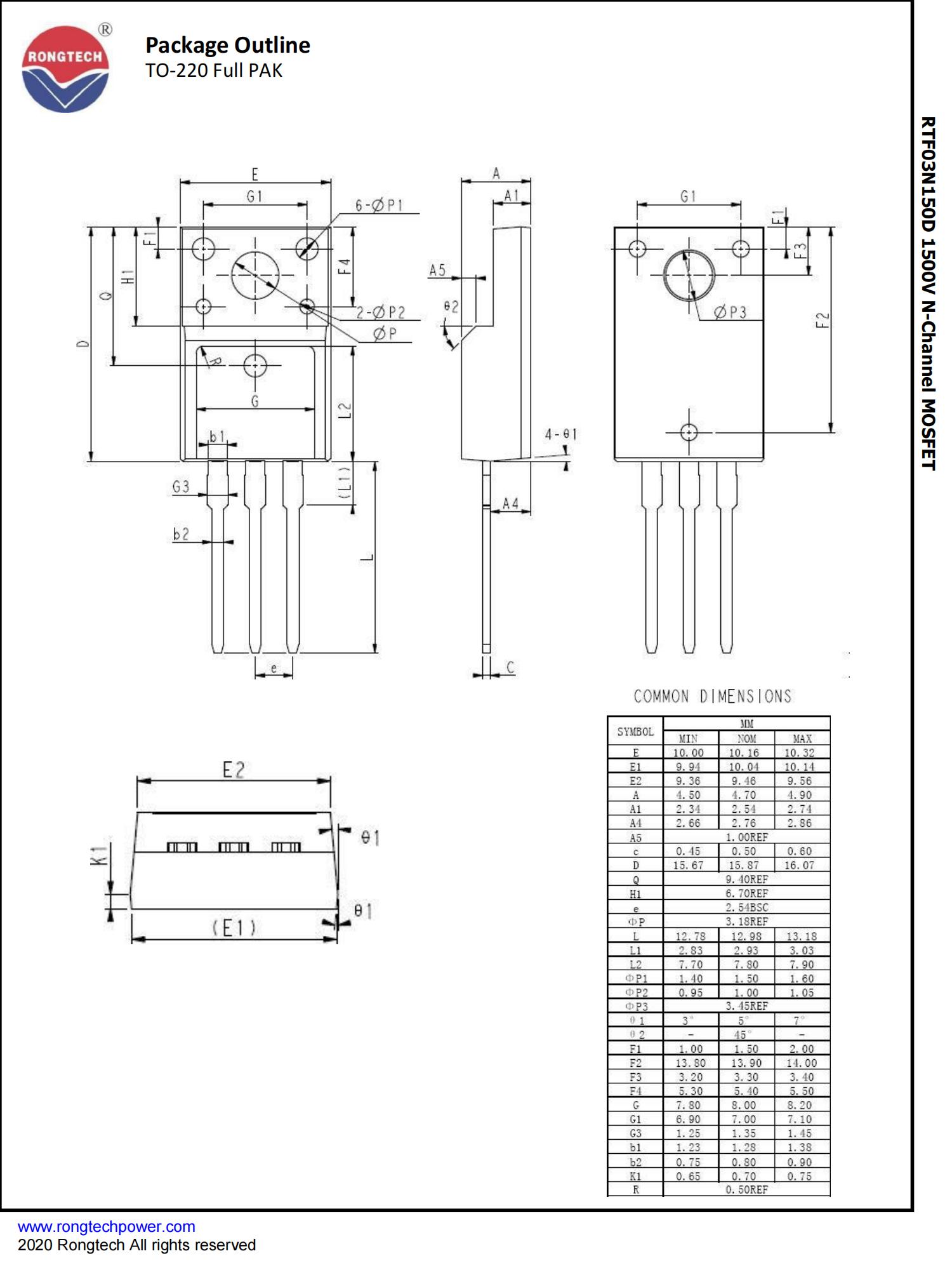
RTF03N150D 2022/04/06 ClassificationHigh voltage mosfet Mosfet PRODUCT CENTER 34 0 Previous: RTF05N100D Next: RTF_P_W_A80R380S
您好!please sign in