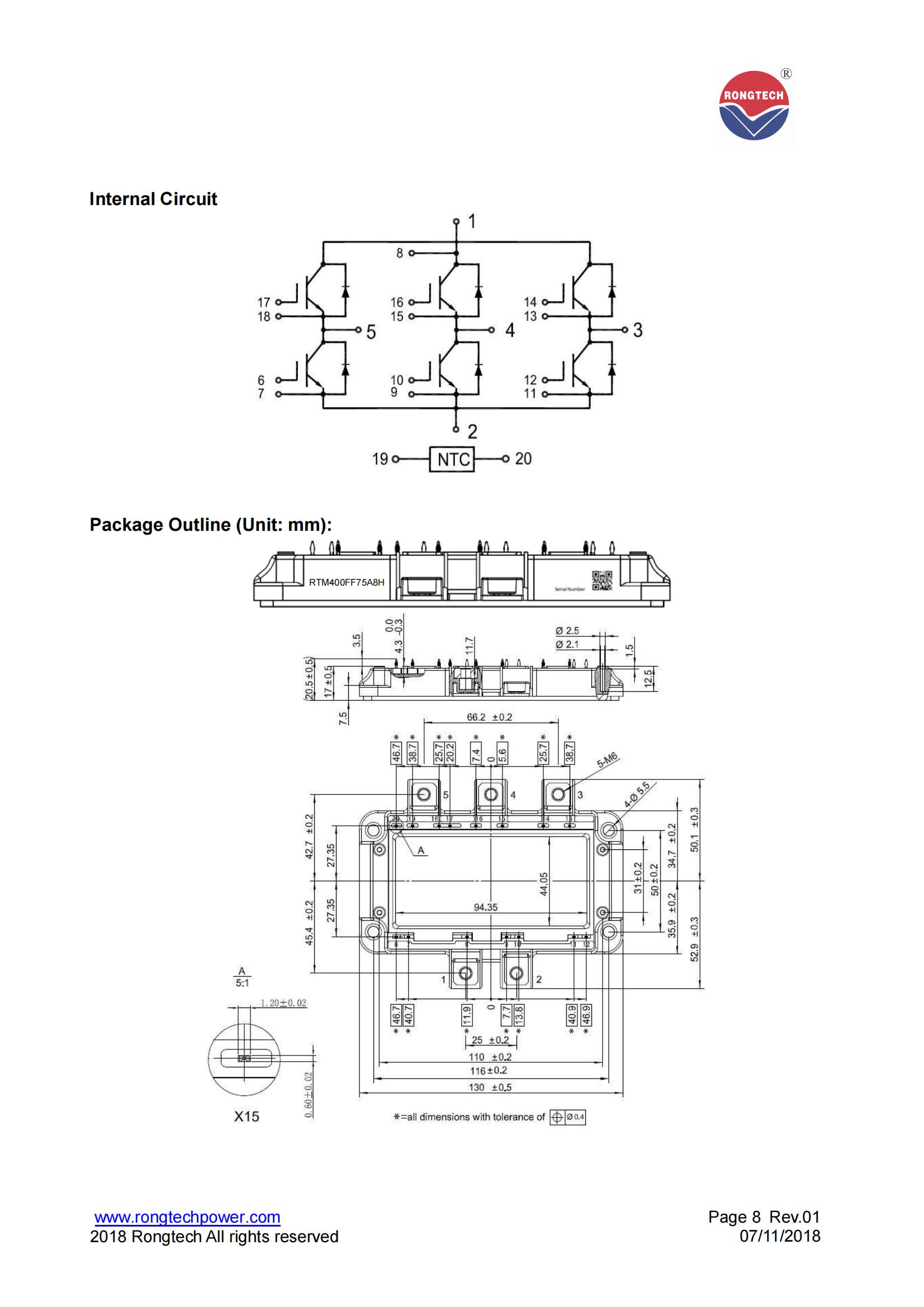
RTM400FF75A8H 2022/03/11 ClassificationIGBT IGBT module PRODUCT CENTER 40 0 Previous: RTS600HF120T9H Next: RTM100TL65B9H
您好!please sign in