RTM30G60FB 2022/03/11 ClassificationIGBT IPM PRODUCT CENTER 27 0 Previous: RTM600FF75C8S Next: RT50IP60A7E
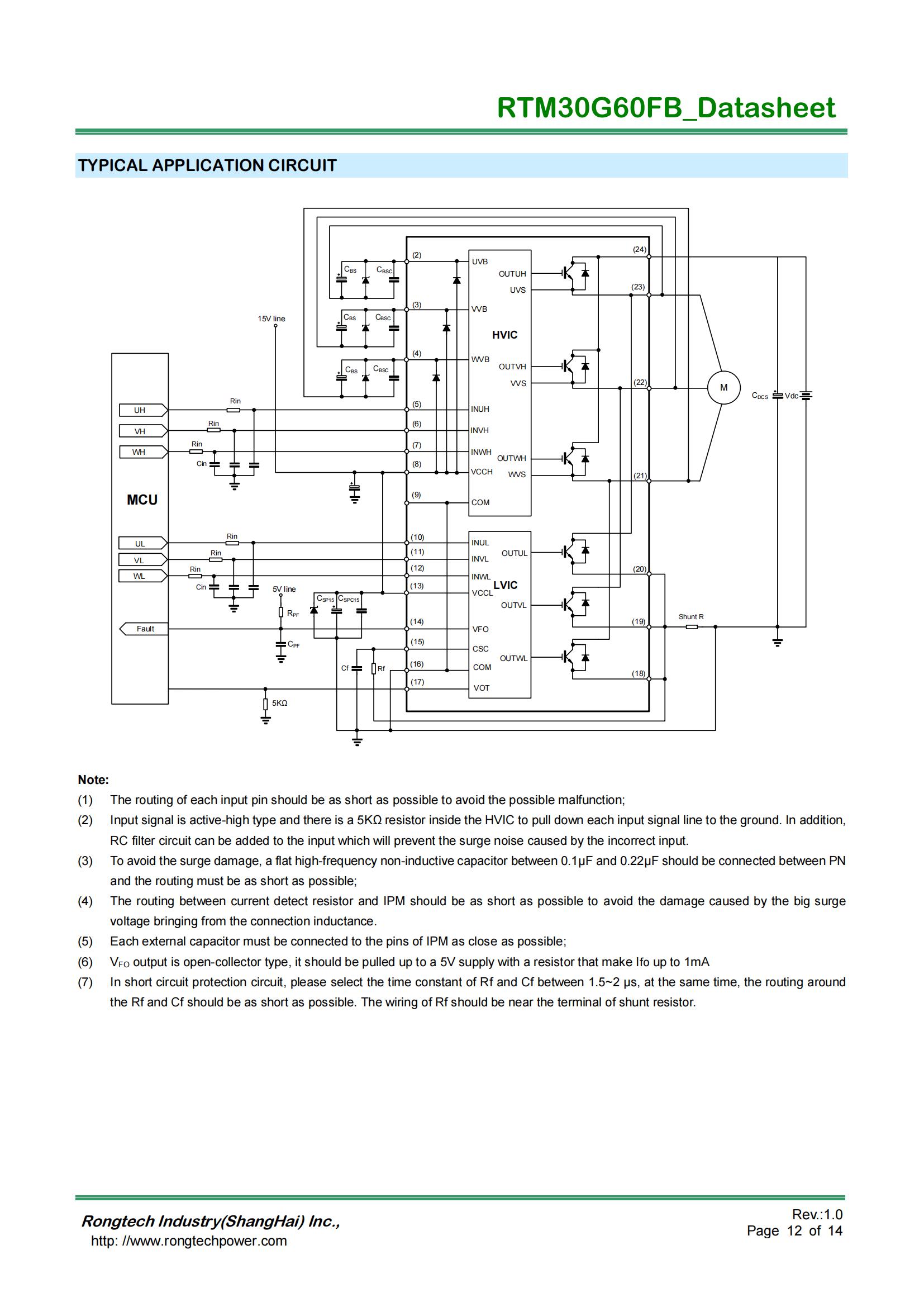
您好!please sign in