Эл. адрес: rongtech@263.net ТЕЛ: 0086-18001811078

Решения для хранения

КлассификацияРЕШЕНИЯ 55 0

Storage Solutions-rongtechsemi

Портфолио Rongtech включает в себя широкий спектр продуктов для систем хранения энергии — от модулей малой и средней мощности для систем хранения в жилых и промышленных масштабах до компонентов высокой мощности для систем хранения коммунального уровня. Продукты Rongtech обеспечивают максимальную надежность, отвечая требованиям длительного срока службы систем хранения энергии.

Накопление энергии было неотъемлемым компонентом производства, передачи, распределения и потребления электроэнергии на протяжении многих десятилетий. Сегодня энергетический ландшафт резко меняется с ростом производства возобновляемой энергии. С децентрализованными возобновляемыми источниками энергии в нашей энергосистеме быстро растет спрос на системы накопления энергии для стабилизации колебаний. Этот переход к возобновляемым источникам также делает надежную поставку электроэнергии, где и когда это необходимо, более сложной задачей, чем когда-либо прежде.

Область применения ESS охватывает очень широкий спектр требований и характеристик. Это включает в себя хранение энергии для краткосрочного потребления для стабилизации ветроэнергетических и фотоэлектрических систем при сбоях в работе сети, балансирование краткосрочного дефицита генерации и хранение больших объемов энергии. Последнее требуется для стабилизации сети электроснабжения, как только будут интегрированы генераторы переменной мощности, такие как ветряные и солнечные. Rongtech поставляет оптимизированные силовые модули для каждого из этих приложений, которые надежно отвечают требованиям по низкой цене.

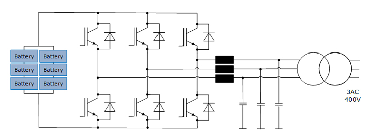
Одноступенчатая топология

Storage Solutions-rongtechsemi

Принципиальная схема однокаскадного БЭСС

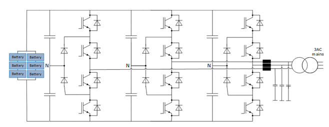
Двухступенчатая топология

Storage Solutions-rongtechsemi

Принципиальная схема двухкаскадного БЭСС

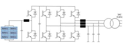
топология уровня

Storage Solutions-rongtechsemi

Принципиальная принципиальная схема однокаскадной BESS с 3-уровневой схемой NPC

Предыдущий: Следующий:

您好!please sign in

Click to cancel reply
    展开更多
    免费预约体验课程

    loading...