
Today’s uninterruptible power supply (UPS) systems face a wide range of challenges.
The availability of infrastructure systems strongly depends on reliable power supplies, irrespective of whether these systems are servers and cloud storage systems, critical traffic control, hospital services or other essential supply systems.
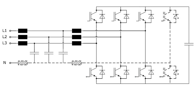
Uninterruptable Power Supplies (UPS) ensure continuous operation of these critical systems. In Rongtech power modules, flexible topologies equipped with the latest IGBT and diode chips ensure maximum conversion efficiency for online double conversion UPS systems. This efficiency can be further improved using Silicon Carbide technology.
Overcoming them requires an increase in output power and power density as well as energy efficiency and reliability. For all UPS power supply applications, high-quality products from Rongtech provide you with solutions targeting the entire power range of UPS applications. Equipped with our power semiconductor,UPS systems can achieve best-possible power conversion efficiency and cutting-edge power density.
Application scenario
LOW POWER AND MODULAR UPS SYSTEMS
10kVA – 100kVA
Server Rooms, Data Centres
advantage:
High efficiency systems
Compact designs and high power density
STANDALONE AND TOWER UPS SYSTEMS
100kVA – 5MVA
Server Rooms, Data Centres, Hospitals and Critical Control Systems
advantage:
High efficiency systems
Compact designs and high power density
Application market
Active line filters (power quality management)

UPS systems

3-level inverter topologies NPC and TNPC
rongtechsemi

您好!please sign in