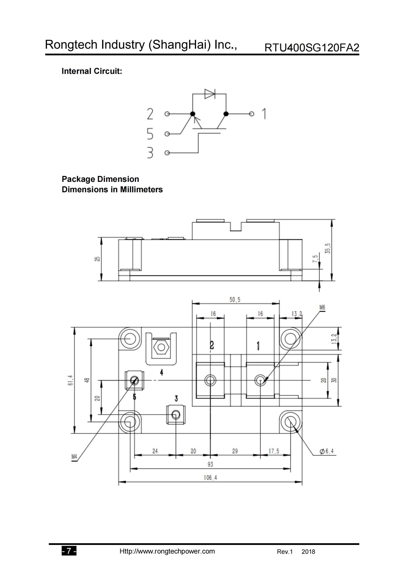
RTU400SG120FA2 2022/04/06 ClassificationIGBT IGBT module PRODUCT CENTER 36 0 Previous: RTU400HF120FA2 Next: RTU150HF120FA2
您好!please sign in