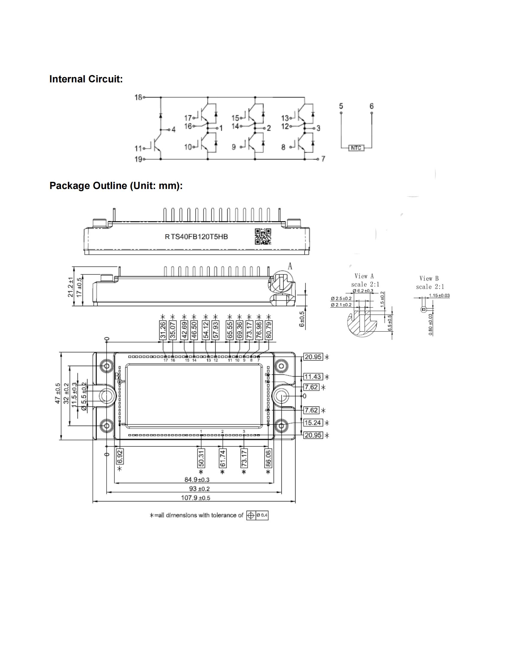
RTS40FB120T5HB 2022/04/06 ClassificationIGBT PIM module PRODUCT CENTER 26 0 Previous: RTK600SG120BA2 Next: RTM1500ESM33-PSA012
您好!please sign in