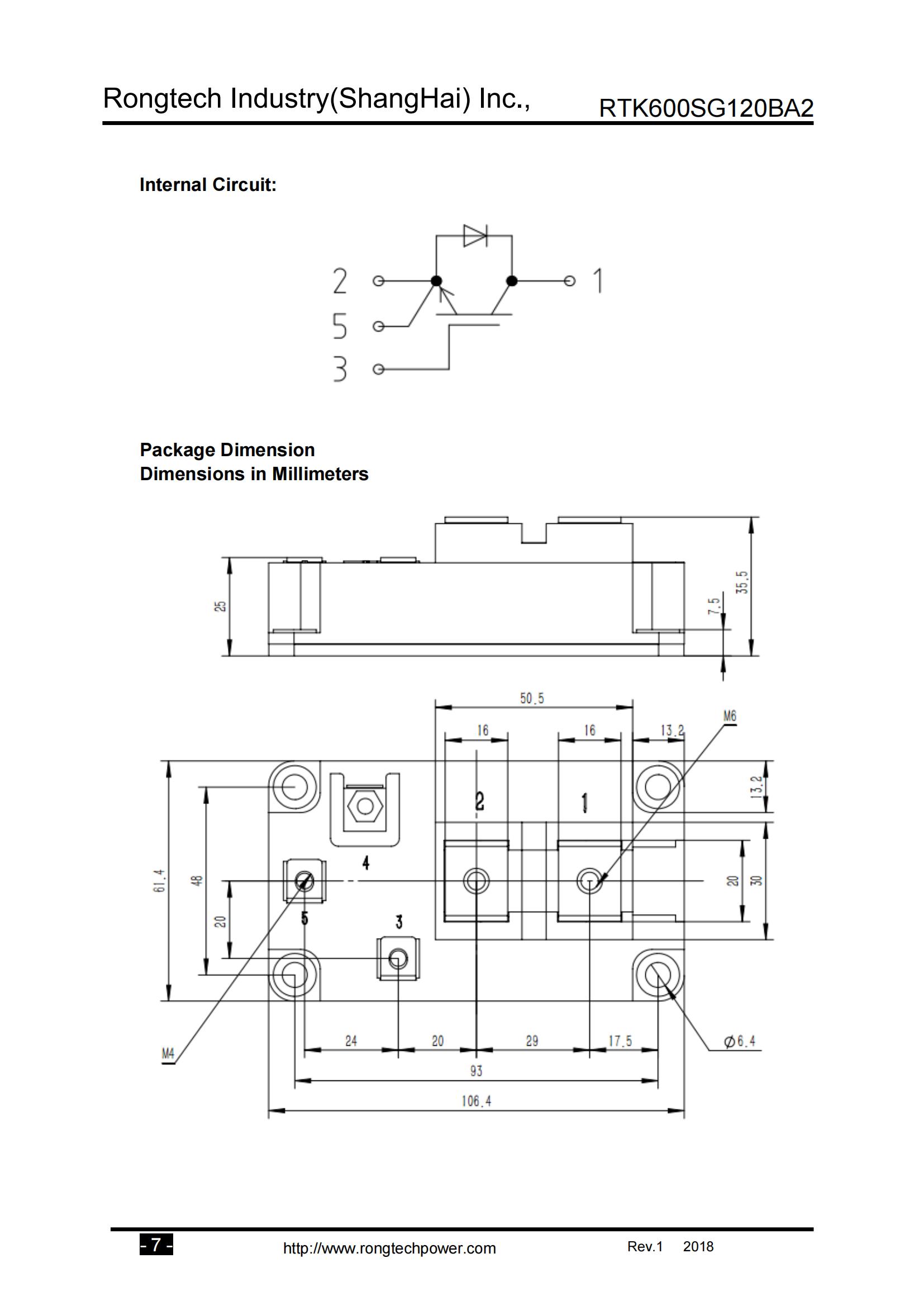
RTK600SG120BA2 2022/04/06 ClassificationIGBT PIM module PRODUCT CENTER 20 0 Previous: RTK300HF120BA2 Next: RTS40FB120T5HB
您好!please sign in