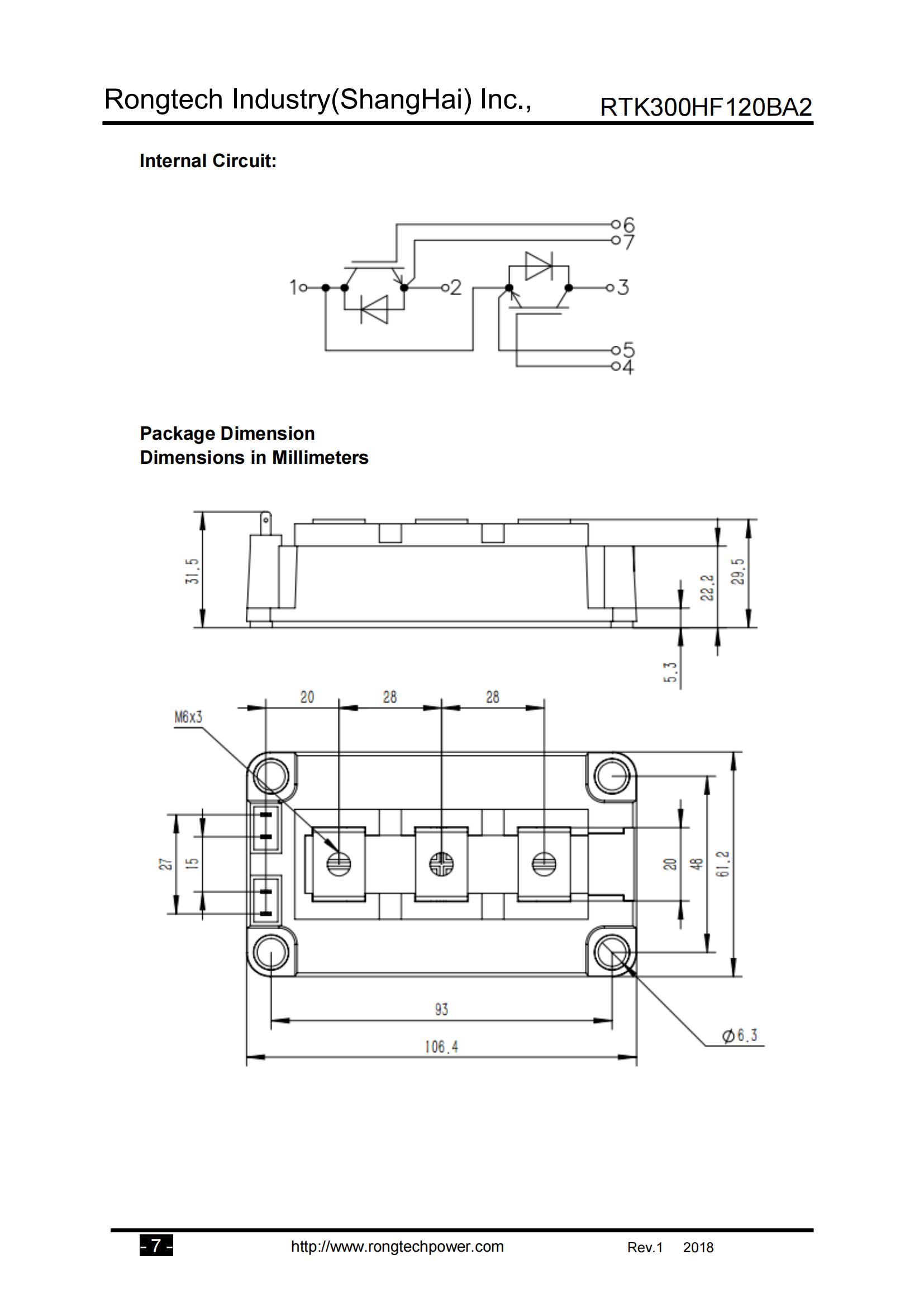
RTK300HF120BA2 2022/04/06 ClassificationIGBT PIM module PRODUCT CENTER 14 0 Previous: RT100PI120T6H-M Next: RTK600SG120BA2
您好!please sign in