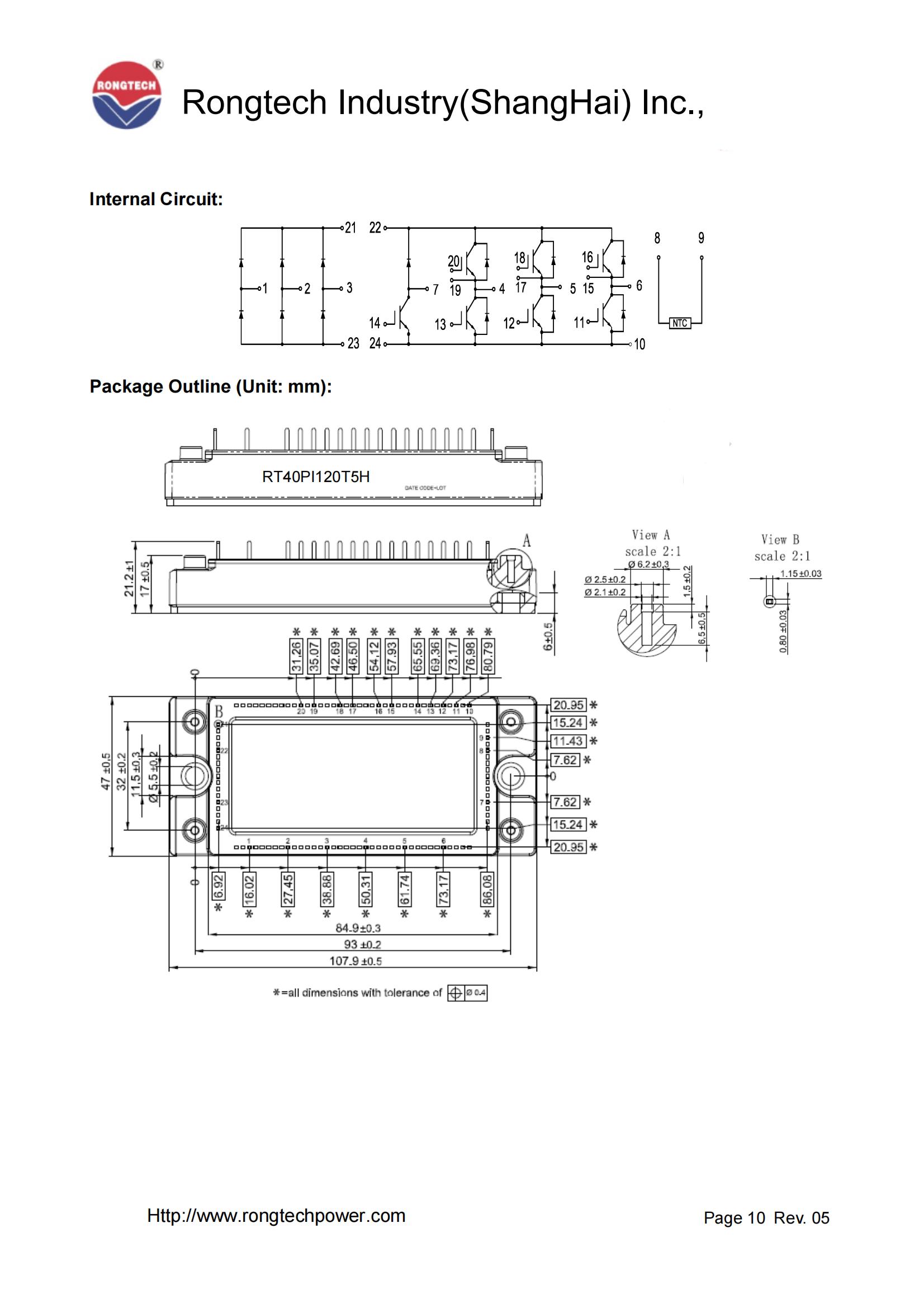
RT40PI120T5H 2022/04/06 ClassificationIGBT PIM module PRODUCT CENTER 26 0 Previous: RT35PI120B9H Next: RT50PI120T5H-T4
您好!please sign in