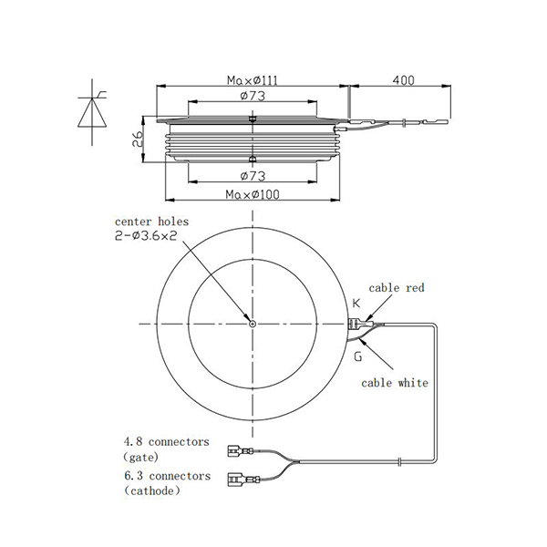
RT34PY1800 2022/04/06 ClassificationPRODUCT CENTER Thyristor Thyristor 24 0 Previous: MDC1601634 Next: RT24HY1800
您好!please sign in