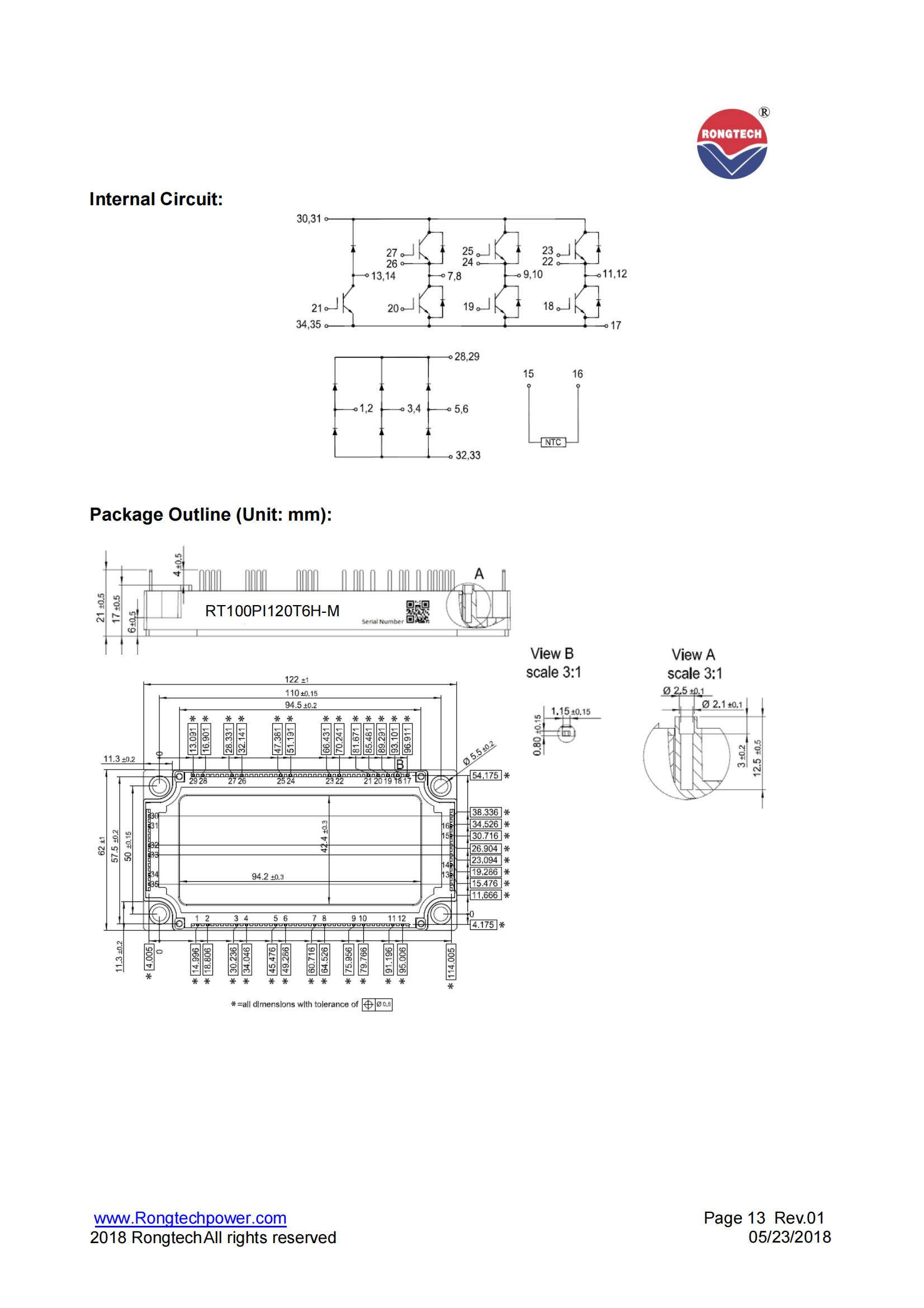
RT100PI120T6H-M 2022/04/06 ClassificationIGBT PIM module PRODUCT CENTER 16 0 Previous: RT75PI120T6H-M Next: RTK300HF120BA2
您好!please sign in