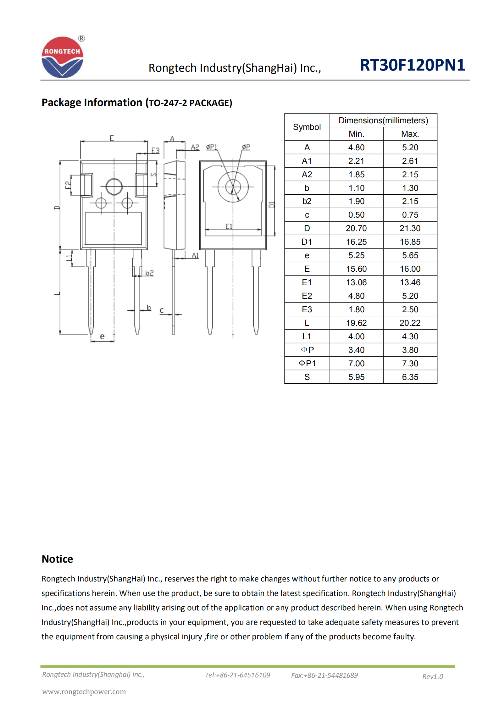
RT30F120PN1 Ultrafast Soft Recovery FRD diode 2022/03/10 ClassificationFRD diode FRD diode PRODUCT CENTER 31 0 Previous: RT80F20PN Ultrafast Soft Recovery FRD diode Next: RHR60F60SB super-fast recovery FRD diode
您好!please sign in